AS320 DIG PO - SYGNALIZACJA ŚWIETLNA


Recommended Posts

Witam.
Korzystałem ze schematu celem podłączenia oświetlenia do federala, ale cały czas bez skutku. 
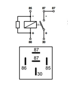
Wiem tyle, że należy podłączyć je przez przekaźnik. Mam taki przekaźnik jak na zdjęciu, podłączam i nic. Proszę o pomoc bo już temat się długo ciągnie.
Najlepiej będzie jak ktoś rozpisze pod jakie piny się podłączyć.
image.png.5fde1b39b96e054040e6a9250f257917.pngimage.png.5f0f4d694f86ddadbf01757fa512a5d2.png

Share this post


Link to post
Share on other sites
  • 2 weeks later...

Witam,jeżeli temat jeszcze nie został wyjaśniony to .Sterowanie lampami jest ze złącza j3,pin1A .Jeżeli lampy pobierają nie więcej jak 5A MOŻESZ PODŁĄCZYĆ JE BEZPOŚREDNIO DO TEGO PINU BEZ PRZEKAŹNIKA.Jeżeli więcej to pin 1A do 85 przekaźnika a styki standardowo do lampy .

Share this post


Link to post
Share on other sites

Create an account or sign in to comment

You need to be a member in order to leave a comment

Create an account

Sign up for a new account in our community. It's easy!

Register a new account

Sign in

Already have an account? Sign in here.

Sign In Now