Tesla AZD 501


XELUX

Recommended Posts

Koledzy

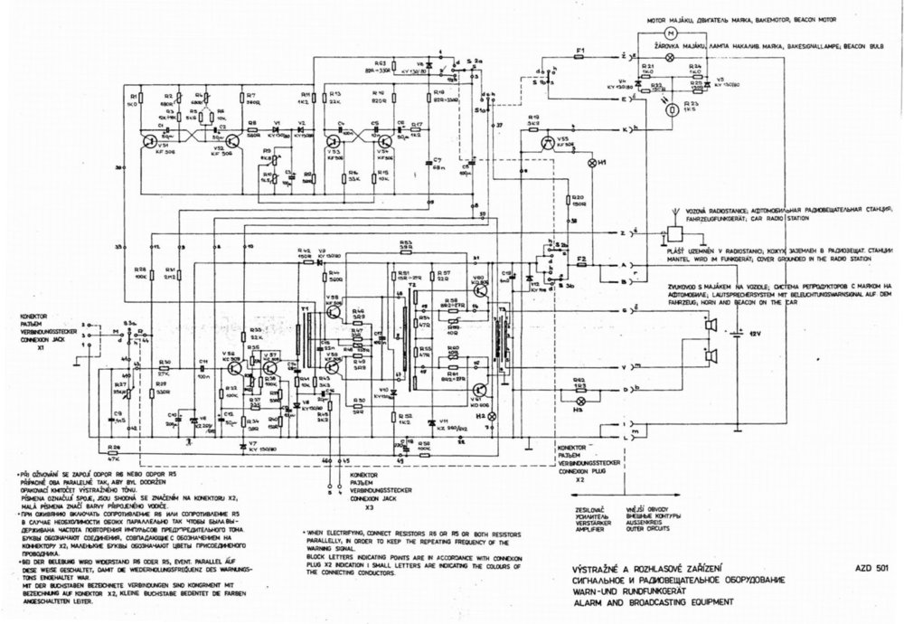
poszukuje schematu Tesli AZD501 . znaleziony w necie ma kiepską rozdzielczość i nie mogę odczytać wszystkich wartości elementów

 

liczę na pomoc

pozdrawiam

Share this post


Link to post
Share on other sites

Trochę dziwna historia z tym podłączeniem głośników. Normalnie do tej pory białym przewodem szedł "wspólny" minus, a niebieskim i czarnym odpowiednie" plusy" z modulatora. Wszystko działa bez zarzutu. Nie rozumiem ani tego opisu, ani schematu, gdzie biały jest + i minus jednocześnie.

Share this post


Link to post
Share on other sites

Wiesz

Ja buduje replikę modulatora i tam większość elementów nie zgadza się ze schematem. Temat ogarnąłem dźwięk jest teraz płytki i 15W modulator będzie za półtora miesiąca gotowy.

Share this post


Link to post
Share on other sites

Create an account or sign in to comment

You need to be a member in order to leave a comment

Create an account

Sign up for a new account in our community. It's easy!

Register a new account

Sign in

Already have an account? Sign in here.

Sign In Now